Имя пользователя:
Пароль:
 | Правила  

Компьютерный форум OSzone.net » Железо » Разгон, охлаждение и моддинг » [решено] 3пин вместо 4пин.

Ответить
Настройки темы
[решено] 3пин вместо 4пин.

Аватара для Mean122

Ветеран


Сообщения: 869
Благодарности: 102


Конфигурация

Профиль | Отправить PM | Цитировать


Кратенько о ситуации.
Есть видеокарта XFX 7950, штатная система охлаждения приказала долго жить. Удалось найти подходящую систему. Проблема в том, что на новой системе три кулера и коннектор к плате 3пин, а штатный был 4пин. Соответственно PWM не работает. Шумит прилично. Есть ли возможность сделать автоматическую регулировку оборотов, как было на штатном? Более того, есть странность, Afterburner(и не только он) считывает обороты кулеров очень странно, скачет от 3000 до невообразимых скоростей (больше 100 тысяч). При этом вентиляторы крутятся с постоянной скоростью.
В сети нашел способ с Н канальным транзистором, но у меня не заработало,вентиляторы не крутятся.
Или останется ставить потенциометр.

-------
Учиться никогда не поздно...


Отправлено: 02:06, 07-11-2017

 

Аватара для Инсульт

Ветеран


Сообщения: 981
Благодарности: 159

Профиль | Сайт | Отправить PM | Цитировать


Цитата Mean122:
В сети нашел способ с Н канальным транзистором, но у меня не заработало,вентиляторы не крутятся. »
А напряжение открытия затвора совпадает с тем что выдается на управляющий пин?

-------
Debugged programm was unable to process exception. Terminating...


Отправлено: 04:46, 07-11-2017 | #2



Для отключения данного рекламного блока вам необходимо зарегистрироваться или войти с учетной записью социальной сети.

Если же вы забыли свой пароль на форуме, то воспользуйтесь данной ссылкой для восстановления пароля.


Аватара для DVDshnik

Не дед


Moderator


Сообщения: 15415
Благодарности: 2199

Профиль | Отправить PM | Цитировать


Потенциометр не такое уж плохое решение. А можно ничего не выдумывать, а выдрать из неисправного БП схему управления врашением вентилятора (иногда нескольких). Там всё просто, подключаются вообще двухпроводные вентиляторы. Температуру у схемки считывает термодатчик, который нужно разместить поближе к микросхеме видеочипа.

-------
Ненавижу, когда все шагают строем - одинаково стриженые, одинаково одетые, с одинаковыми мыслями в одинаково пустых головах. (С) Кий


Отправлено: 06:40, 07-11-2017 | #3


Аватара для Mean122

Ветеран


Сообщения: 869
Благодарности: 102

Профиль | Отправить PM | Цитировать


Цитата Инсульт:
А напряжение открытия затвора совпадает с тем что выдается на управляющий пин? »
По даташиту написано до 20В, собственно PWM нога с платы подаёт сигнал около 5 вольт. Проверить не получается т. к. не осциллографа.

Цитата DVDshnik:
выдрать из неисправного БП схему управления врашением вентилятора (иногда нескольких). Там всё просто, подключаются вообще двухпроводные вентиляторы »
А можно подробнее где этот кусок выдрать и как его распознать?

-------
Учиться никогда не поздно...


Отправлено: 10:58, 07-11-2017 | #4


Аватара для DVDshnik

Не дед


Moderator


Сообщения: 15415
Благодарности: 2199

Профиль | Отправить PM | Цитировать


Распознать не трудно. В БП от FSP и подобных им на радиаторе силовых диодов прикручена небольшая платка, к которой подключен вентилятор БП. Платка абсолютно автономная, и отделяется от БП беспроблемно.

-------
Ненавижу, когда все шагают строем - одинаково стриженые, одинаково одетые, с одинаковыми мыслями в одинаково пустых головах. (С) Кий

Это сообщение посчитали полезным следующие участники:

Отправлено: 11:06, 07-11-2017 | #5


Аватара для Mean122

Ветеран


Сообщения: 869
Благодарности: 102

Профиль | Отправить PM | Цитировать


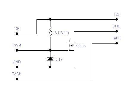
Изображения
Тип файла: jpg PWM to 3-pin.jpg
(15.7 Kb, 28 просмотров)

Нашел выход, только что закончил исполнение. Результат положительный, скорость регулируется по ШИМ пину в автоматическом режиме.
Вот схема если вдруг кто то будет искать похожее.
Все компоненты вышли дешевле 100р. Результатом доволен.

-------
Учиться никогда не поздно...


Отправлено: 01:42, 08-11-2017 | #6



Компьютерный форум OSzone.net » Железо » Разгон, охлаждение и моддинг » [решено] 3пин вместо 4пин.

Участник сейчас на форуме Участник сейчас на форуме Участник вне форума Участник вне форума Автор темы Автор темы Шапка темы Сообщение прикреплено

Похожие темы
Название темы Автор Информация о форуме Ответов Последнее сообщение
C++ вместо PHP Anton1995 Вебмастеру 6 27-05-2011 01:51
2003/XP/2000 - EXCEL вместо калькулятора Vygov Microsoft Office (Word, Excel, Outlook и т.д.) 3 10-03-2011 14:55
Перезагрузка вместо выключения schumi Microsoft Windows 2000/XP 19 13-02-2007 07:52
linux вместо win2003srv slaine Общий по Linux 12 17-05-2006 13:37
байты вместо пакетов JonSimon Сетевые технологии 6 29-07-2004 18:21




 
Переход