Имя пользователя:
Пароль:
 | Правила  

Компьютерный форум OSzone.net » Компьютеры + Интернет » Сетевые технологии » Route/Bridge - Как сделать автоматическое оповещение, когда комп входит в сеть и остановить закачку.

Ответить
Настройки темы
Route/Bridge - Как сделать автоматическое оповещение, когда комп входит в сеть и остановить закачку.

Новый участник


Сообщения: 7
Благодарности: 0

Профиль | Отправить PM | Цитировать


Изображения
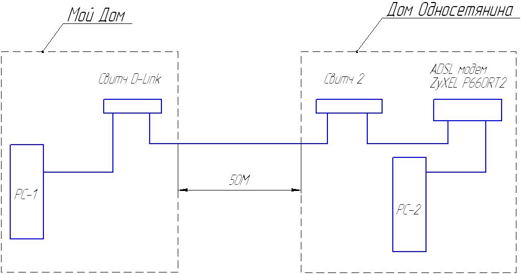
Тип файла: jpg Топология сети.jpg
(39.9 Kb, 30 просмотров)
Итак, опишу вкратце ситуацию:

У меня и односетянина общий интернет на 2-х, компы соединены в локалку, через ADSL модем(который установлен у односетянина, ибо у него же и телефон),так как модем однопортровый, то используется свич.
Инет на двоих(Модем автоматом назначает IP).
Моя деятельность в инете сводится в основном к закачке и просмотре страниц.
Односетянин страдает онлайн играми и фильмами.

Когда я захожу в браузер, то скорость подпрыгивает на максимум, если качаю то канал забит на всю, даже если качать с 50% скоростью, то все равно не то и на противоположном конце возникают упреки.

Как сделать так что-бы мы друг другу не мешали, без разделения сети.
Нужно увидеть когда 2-й комп включат и он войдет в сеть. Обычно я это делаю через специальный ярлычок, который ссылается на его расшаренный диск, если заходит, то он в сети, можно попробовать еще пингом, но тогда IP нужно ставить статические.
Когда 2-й камп заходит в сеть, то нужно сделать автоматическое оповещение, так же было бы хорошо сделать вырубалку torrenta.

Технические подробности.
Моя машина (PC-1) - OS WIN XP Pro SP3
Камп Односетянина (PS-2) OS WIN XP Pro SP2
ADSL модем - ZyXEL P660RT2
Свитчи, у меня самый обычный D-Link, у односетянина тоже что-то наподобие этого.


Топология сети во вложениях.

Отправлено: 12:38, 30-12-2009

 

Аватара для sergey_dsv

Ветеран


Сообщения: 2137
Благодарности: 379

Профиль | Отправить PM | Цитировать


Ну как вариант это ограничить каждого из вас в скорости доступа в интернет.
Так как ваш модем это делать аппаратно не умеет, то это можно сделать программно на каждом из ваших компьютеров.
Для этого есть куча программ, ну как пример это TMeter или же кеширующий прокси HandyCache
Ну и еще лично мне не понятно, зачем вам нужен второй свич, для вашего случая вполне достаточно одного свича с любой стороны.

Отправлено: 19:02, 30-12-2009 | #2



Для отключения данного рекламного блока вам необходимо зарегистрироваться или войти с учетной записью социальной сети.

Если же вы забыли свой пароль на форуме, то воспользуйтесь данной ссылкой для восстановления пароля.


Новый участник


Сообщения: 7
Благодарности: 0

Профиль | Отправить PM | Цитировать


Ограничение скорости не подходит, так как инет и так слабенький (1 Мег), а так онлайн видео будет тормозить.
2-й свич это остатки от былой сети, один мен отрубился, удобно по лампочкам смотреть как инет загружен) + бывают мены подходят с ноутами, подкинул сетевой шнурик от свича и на ноуте сетка с моим кампом и инет - очень удобно)

Отправлено: 11:05, 01-01-2010 | #3


Аватара для lxa85

Необычный


Contributor


Сообщения: 4466
Благодарности: 995

Профиль | Сайт | Отправить PM | Цитировать


А может банальный netsend в автозагрузку односетянина?
Надо конечно более детально обдумать автоматическое срезание полосы доступа в инет, но индикация, по крайней мере, будет.
(Вспомнил, была программулька отслеживающая название окна, что-ли. И выполняющая заданное действие.
Поищу на досуге)

-------
- Я не разрешаю тебе быть плохой! Потому что плохие люди совершают плохие поступки. А это нехорошо!
(Из наставлений 5 летней девочки своей младшей сестре)


Отправлено: 11:50, 01-01-2010 | #4


Экзорцист


Сообщения: 969
Благодарности: 127

Профиль | Отправить PM | Цитировать


Fantomas25, если более красивого решения не найдешь, то можно такой вариант - повесь у себя в назначенных заданиях батник, выполняемый каждые 10-15 мин, в котором пропиши проверку на существование определенного (заранее созданного) файла в расшаренном диске твоего односетянина, и если этот файл существует (т.е. второй комп включен), то пришибай свой процесс торрент-клиента.
По поводу команд - смотри IF /? (конкретно IF EXIST) и TASKKILL /? (конкретно TASKKILL /IM)
P.S. Кстати можно пойти дальше - в этом же батнике создавать у себя на компе определнный файл, играющий роль флага. Например если односетянин есть в сети, то проверить существование флага - если флага нет, то создать его и вывести себе на экран сообщение, типа
Код: Выделить весь код
net send my_comp_name Все, долазился, Вася пришел :(
и рубить процесс торрент-клиента (независимо от наличия флага).
Если односетянина нет, то опять проверить наличие флага - если флаг есть, то удалить его и вывести себе сообщение типа
Код: Выделить весь код
net send my_comp_name Вася свинтил :), гуляем :)!!!
а если флага нет, то ничего не делаем
Ну и конечно повесить в автозагрузку удаление этого файла.
Таким образом ты получаешь следующую ситуацию - при загрузке твоего компа флага еще нет. Срабатывает задание и проверяет - Вася в сети или нет. Если Васи нет, то все в порядке - ничего не происходит, ты можешь нормально работать, если Вася есть - ты однократно получаешь сообщение об этом (именно для этого флаг и нужен - чтобы получить сообщение только один раз, а не каждые 10-15 минут) и постоянно атоматом рубится твой торрент-клиент. Если в дальнейшем Вася уходит, то ты опять таки однократно получаешь сообщение об этом и нормально серфишь.

Последний раз редактировалось Michael, 04-01-2010 в 11:03.


Отправлено: 10:47, 04-01-2010 | #5

V68 V68 вне форума

Новый участник


Сообщения: 1
Благодарности: 0

Профиль | Отправить PM | Цитировать


Посмотрите nnCrone.

Отправлено: 17:16, 01-02-2010 | #6



Компьютерный форум OSzone.net » Компьютеры + Интернет » Сетевые технологии » Route/Bridge - Как сделать автоматическое оповещение, когда комп входит в сеть и остановить закачку.

Участник сейчас на форуме Участник сейчас на форуме Участник вне форума Участник вне форума Автор темы Автор темы Шапка темы Сообщение прикреплено

Похожие темы
Название темы Автор Информация о форуме Ответов Последнее сообщение
Как сделать через ГП автоматическое копирование библиотек в папку system32 ? zegerman Автоматическая установка приложений 7 01-12-2009 16:15
компьютер не входит в сеть с доменом windows 2003 unlimited Microsoft Windows NT/2000/2003 5 28-09-2009 15:53
Интернет - [решено] Как сделать так что бы подключение по VPN было автоматическое. Butunin Klim Microsoft Windows 2000/XP 19 16-12-2008 20:15
Как потвикать стандартное виндовое окно, когда юзер лочит комп? milut Microsoft Windows 2000/XP 0 23-06-2006 15:53
XP не входит в сеть SLAD Сетевые технологии 7 04-03-2003 02:14




 
Переход