|
Внимание, важное сообщение: Дорогие Друзья!
В ноябре далекого 2001 года мы решили создать сайт и форум, которые смогут помочь как начинающим, так и продвинутым пользователям разобраться в операционных системах. В 2004-2006г наш проект был одним из самых крупных ИТ ресурсов в рунете, на пике нас посещало более 300 000 человек в день! Наша документация по службам Windows и автоматической установке помогла огромному количеству пользователей и сисадминов. Мы с уверенностью можем сказать, что внесли большой вклад в развитие ИТ сообщества рунета. Но... время меняются, приоритеты тоже. И, к сожалению, пришло время сказать До встречи! После долгих дискуссий было принято решение закрыть наш проект. 1 августа форум переводится в режим Только чтение, а в начале сентября мы переведем рубильник в положение Выключен Огромное спасибо за эти 24 года, это было незабываемое приключение. Сказать спасибо и поделиться своей историей можно в данной теме. С уважением, ваш призрачный админ, BigMac... |
|
| Компьютерный форум OSzone.net » Железо » Ноутбуки » Acer Aspire 4520 Как подключить питание |
|
|
Acer Aspire 4520 Как подключить питание
|
|
Ветеран Сообщения: 876 |
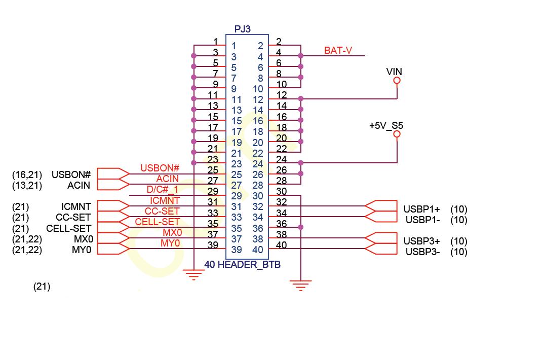
На данном девайсе отсутствует USB BOARD 55.TG607.003, распиновка нужного мне разъема на мат.плате во вложении. Плата приедет ко мне только через месяц, хочу запустить девайс пока без неё. Я правильно понимаю, что бы запустить, мне надо подать с зарядки к ноге Vin "+" и Gnd "-" на разъеме?
|
|
|
------- Отправлено: 09:58, 13-08-2012 |
|
|
Участник сейчас на форуме |
|
Участник вне форума |
![]() |
Автор темы |
![]() |
Сообщение прикреплено |
| |||||
| Название темы | Автор | Информация о форуме | Ответов | Последнее сообщение | |
| acer aspire 4520 перегревается | Jraah | Ноутбуки | 6 | 05-03-2012 03:56 | |
| Ноутбук Acer Aspire 4520 "не включается" | unpred | Ноутбуки | 0 | 14-06-2011 21:30 | |
| эээ... Пролили водку на Acer Aspire 4520 G | NGL_86 | Ноутбуки | 3 | 13-04-2009 10:15 | |
| Пропал DVD RAW из BIOS ноут ACER 4520 | alex3659 | Ноутбуки | 22 | 27-02-2009 12:48 | |
| acer aspire 4520 | FEUERWEHR | Ноутбуки | 33 | 04-02-2008 10:31 | |
|